安全·节能电加热导热油炉厂家B级锅炉资质、省“专精特新”、国家高新技术企业

服务热线:400-000-9261 咨询电话:151 9595 6304

cn二级页面banner—新闻资讯2

咨询热线

400-000-9261
60千瓦电加热导热油炉介绍「黄瓜视频APP下载入口机械」专业供应商

60千瓦电加热导热油炉介绍「黄瓜视频APP下载入口机械」专业供应商

电加热导热油炉型号很多种,电加热导热油炉可以按照功率大小区分、行业区分还可以根据温度区分,那么黄瓜视频APP下载入口机械小编给大家按照功率区分介绍一下60千瓦电加热导热油炉的一些详细情况供大家参考。
水式黄瓜视频污污下载加热功率计算,「黄瓜视频APP下载入口机械」来教您

水式黄瓜视频污污下载加热功率计算,「黄瓜视频APP下载入口机械」来教您

水式黄瓜视频污污下载又叫模具温度控制机、水温机等,被广泛应用于各行各业,水式黄瓜视频污污下载可分为标准型和高温型,标准型水式黄瓜视频污污下载的工作温度为120℃,高温型的温度为180℃,行业的主设备温度不超过180℃的,一般都会选…
防爆油温机使用注意事项「黄瓜视频APP下载入口机械」提醒您

防爆油温机使用注意事项「黄瓜视频APP下载入口机械」提醒您

现在由于工业行业的发展迅速,以及油温机的普及,越来越多的用户对于安全越发的重视,其中防爆油温机按照防爆等级一般可分为ExIIBT4,ExIIBT6,温度一般有180度,230度,300度,以及超高温3…
油温机功率的选择该如何解决呢「黄瓜视频APP下载入口机械」经验分享

油温机功率的选择该如何解决呢「黄瓜视频APP下载入口机械」经验分享

黄瓜视频APP下载入口在提高工艺的时候会走很多弯路,就拿黄瓜视频APP下载入口模具控温这一块来说,很多需要控温的企业目前还不知道如何做好这一点,直到油温机的出现,大大解决了这些头疼的事情,使用前油温机的选择以及油温机功率的选择都是需要考…
黄瓜视频污污下载喷油的原因分析「黄瓜视频APP下载入口机械」帮您解决难题

黄瓜视频污污下载喷油的原因分析「黄瓜视频APP下载入口机械」帮您解决难题

最近黄瓜视频APP下载入口黄瓜视频APP下载入口机械官网客服遇到一些客户询问了黄瓜视频污污下载的常见问题的原因以及解决方法,比如黄瓜视频污污下载喷油的原因等,黄瓜视频APP下载入口机械小编将这些问题进行汇总筛选,针对咨询比较多的问题进行单独分析讲解,方便大家共同学习交流。
黄瓜视频污污下载的逆向报警功能介绍「黄瓜视频APP下载入口机械」经验分享

黄瓜视频污污下载的逆向报警功能介绍「黄瓜视频APP下载入口机械」经验分享

黄瓜视频污污下载使用循环导热油或水作为热循环介质,电能作为加热热源,可实现对被加热物件进行自动控温。利用高温循环油泵强制循环,将热能输送到用热设备继而返回重新继续加热的直流式加热设备,使用过程也经常出现黄瓜视频污污下载的…
高温油温机里的导热油何时更换,「黄瓜视频APP下载入口机械」为您解答

高温油温机里的导热油何时更换,「黄瓜视频APP下载入口机械」为您解答

高温油温机里面的介质是导热油,它是油温机的源泉,只有导热油“新鲜”流动,其导热性能才能稳定,那么高温油温机里的导热油何时更换呢,有没有什么提示呢?请看黄瓜视频APP下载入口为您解答。
黄瓜视频污污下载的作用和黄瓜视频污污下载种类「黄瓜视频APP下载入口机械」归纳总结

黄瓜视频污污下载的作用和黄瓜视频污污下载种类「黄瓜视频APP下载入口机械」归纳总结

黄瓜视频污污下载,全称为模具温度控制机(Moldtemperaturecontrolmachine),通过电加热媒介(导热油/水),经过黄瓜视频污污下载内部的循环泵使媒介在黄瓜视频污污下载和所需控温物件之间进行强制液相循环。如此周…
黄瓜视频污污下载价格为什么有很大的区别?「黄瓜视频APP下载入口机械」品质决定价格

黄瓜视频污污下载价格为什么有很大的区别?「黄瓜视频APP下载入口机械」品质决定价格

黄瓜视频污污下载随着环保、成型要求的越来越高,其使用/购买的厂家也是每一年都在递增。黄瓜视频污污下载主要是应用在:塑料成型、镁铝合金压铸成型、反应釜只要成型、SMC玻璃钢等复合材料成型、汽车内饰件成型、橡胶制品成型、锂电…
油温机油箱的标准配置,「黄瓜视频APP下载入口机械」宣油箱选择很重要

油温机油箱的标准配置,「黄瓜视频APP下载入口机械」宣油箱选择很重要

油温机生产过程中的时候会考虑客户主机高度和模具具高度,还有客户端储油量在,根据实际情况为客户设计安全可靠的钣金。黄瓜视频APP下载入口机械专业黄瓜视频污污下载生产厂家称选择油温机油箱至关重要。
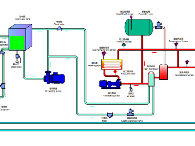
冷热一体机工作原理图及种类,「黄瓜视频APP下载入口机械」分析

冷热一体机工作原理图及种类,「黄瓜视频APP下载入口机械」分析

冷热一体机是一种加热冷却为一体的温度控制设备,很多产品在生产成型的过程中需要不同的温度点以及根据要求实现加热、冷却不同的温控要求。黄瓜视频APP下载入口机械分析冷热一体黄瓜视频污污下载的应用原理以及选择种类!
模具油温机哪家的好「黄瓜视频APP下载入口机械」99%好评率

模具油温机哪家的好「黄瓜视频APP下载入口机械」99%好评率

模具油温机其实是黄瓜视频污污下载的一种形式,模具油温机是用来调节模具温度的平衡模度,可以升温也可以降温,选择好的模具油温机以便在很短的时间内将模具进行升温控制,那么模具油温机哪家的好呢?
碳纤维黄瓜视频污污下载阶段升温的原因介绍,碳纤维黄瓜视频污污下载供应商「黄瓜视频APP下载入口机械」

碳纤维黄瓜视频污污下载阶段升温的原因介绍,碳纤维黄瓜视频污污下载供应商「黄瓜视频APP下载入口机械」

碳纤维黄瓜视频污污下载生产过程中必须要附带阶段控温以及冷却装置,这样才能实现碳纤维模压成型的连续快速生产,那么在碳纤维行业的生产中碳纤维黄瓜视频污污下载为什么需要阶段升温下面给大家讲解下。
风电叶片成型黄瓜视频污污下载「黄瓜视频APP下载入口机械」在风电叶片行业贡献巨大

风电叶片成型黄瓜视频污污下载「黄瓜视频APP下载入口机械」在风电叶片行业贡献巨大

在风电叶片模具没有改进之前,很多风电叶片厂家在风电叶片模具控温这块大多都采用电热丝加热,模具使用电热丝加热的弊端有模具加热不均与,产品受热不均与在生产中是很麻烦的事情,如果中间这边有一组加热丝断了,就…
黄瓜视频污污下载循环泵的保养维护「黄瓜视频APP下载入口机械」技术人员免费指导

黄瓜视频污污下载循环泵的保养维护「黄瓜视频APP下载入口机械」技术人员免费指导

黄瓜视频污污下载是一种温度控制设备,其作用是起到对温度的一个精度控制,根据传热煤介的不同分为水循环黄瓜视频污污下载和油循环黄瓜视频污污下载两类,但不管是水循环黄瓜视频污污下载和油循环黄瓜视频污污下载都需要黄瓜视频污污下载循环泵来使之成为一个循环的系统运行。
网站地图